back

Product


BADU Professional

สินค้าที่คุณเลือก: -

1
รายละเอียดสินค้า

เป็นปั๊มน้ำที่สามารถไล่ลมได้อัตโนมัติ ( Self-priming ) เหมาะสำหรับสระว่ายน้ำส่วนบุคคล และสระว่ายน้ำแบบสาธารณะ เนื่องจากตัวเลือกการเชื่อมต่อที่ยืดหยุ่นและถังกรองขนาดใหญ่ เหมาะสำหรับ สระน้ำที่ตั้งอยู่เหนือระดับน้ำ,สระน้ำที่จมอยู่ใต้น้ำบางส่วน,สระน้ำในตัว,บ่อน้ำ บ่อปลา

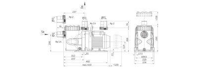
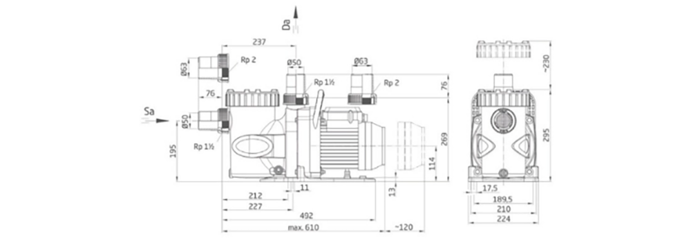
แบบทางวิศวกรรม
รายละเอียดทางเทคนิค
ประสิทธิภาพการทำงานของระบบหรืออุปกรณ์